YE3 series high-efficiency three-phase asynchronous motors are based on the latest development of fully enclosed self-fan air-cooled squirrel-cage ultra-high-efficiency three-phase asynchronous motors based on GB/T28575-2012. The 3-level energy efficiency level in the "Energy Efficiency Limit Values and Energy Efficiency Levels of Asynchronous Motors" is in line with IE3 in the energy efficiency level in IEC60034-30, and it is in the first-class level with the most advanced American NEMA ultra-efficient motor.
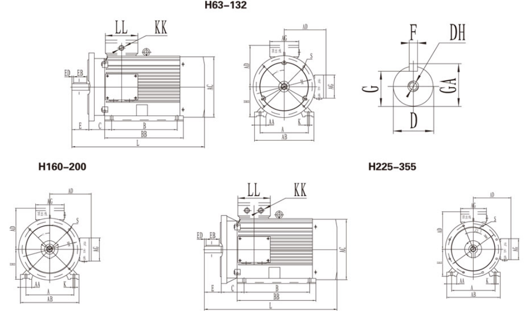
Compared with the YE2 series, the YE3 series high-efficiency motor is more energy-saving, low-carbon, and environmentally protective. The installation size, power level, and ordinary motor are the same, in line with the International Electrotechnical Commission IEC60072-1 standard, and can be directly replaced to achieve the purpose of energy saving, power saving, and promote the market. The motor with a center height of H160 and above can be equipped with
An uninterrupted oil filling and discharging device, and the space for installing a thermistor and a moisture-proof heating belt is reserved, which is convenient for users to choose.
The power range of this series of motors: 0.75KW-315KW; the center height of the base: H80-H355.
Ambient temperature: -15℃≤0<40℃
Altitude: not exceeding 1000m
Rated voltage: 380V
Rated frequency: 50Hz
Protection class: IP55
Insulation class: F
Cooling method: IC411
Duty: S1(continuous)
Connection: Star-connection for up to 3KW, delta-connection for 4kW and above.

English







