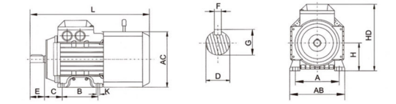
Brake motor is made of two parts consisting of three-phase asynchronous motors and brakes, its belongs to three-phase asynchronous motor derived series. Manual brake release and bolt release are two forms of brakes. Brakes are the main components of the brake motor. Its working power divided into two categories; One is AC brake, the other is DC braking, my company produces brake motors are DC brake motors, the advantage of the braking torque is below, Easy installation, braking response speed, high reliability, versatility and other advantages.
1. Operating principle
After the motor is equipped with a cover asbestos friction disc wear-resistant materials and excitation coil. When the motor is energized by a spring brake friction disc is a pressing plate, pressing firmly on the plane after the motor cover has been processed, so that the brake disc friction torque generated strong achieve braking purposes. When the excitation coil is energized to produce electromagnetic suctin, pul the spring-loadedplate, pressed board leave the friction plate. The friction disc is released, the motor flexible rotation, depending on the motor power between tens to hundreds of European coil
resistance.
2. The DC brake can not be directly connected to the AC power to the brake coil is provided with suction cups for low-voltage winding rated DC voltage. A single-phase AC power is rectified then supply to a sucker winding to make it work, so the brake motor terminal box fitted with a rectifier, wiring diagram below.
3. The braking time
Brake motor braking time (t) is the time from the motor and brake stopping the power to the shat completely stopped, under normal circumstances, For 63 to 80 frame size motor, the braking time is 0.5 seconds, For 90-132 frame size motor, the braking time is 1 second, For 160 to 180 frame size motor, the braking time is 2 seconds.
4. Adjustment and maintenance
In the course of braking the motor increases the number of brake friction disc wear condition will exist, so a gap of the motor cover plate of the friction increases. Changes to the long-term operation of the motor, the motor directly affects the gap between the braking torque. When adjusting the gap is not too small, the gap is too small, the friction disc friction with the motor cover can not be completely separated from the plane and burned the motor, the gap is too large, pressed board can not pull or pull a strong noise process. Brake pressing plate at the gap magnechuck brakes, generally for 60 to 112 frame size motor, the brake gap between 0.25mm to 0.30mm, for 132'180 frame size motor, the brake gap between 0.50mm to 0.80mm.
5.The inwerter nuns te molor brakc
With the continuous improvement and continuous development of the social productivity of science and technology. Brake plus inverter system has been widely applied in the implementation of the organization. I produced all asynchronous motors can configure the drive to run. At this point the brake must be provided separately stable power supply, and then can not be shared with the power terminals on the motor. Otherwise the brakes do not work properly. Need to make is brake motors with variable frequency operation, an axial flow fan to attach this fan only independent control and power.
Notably, the company produces all kinds of asynchronous motor in the highest frequency range 6oHz, as you may have special requirements please let us know.

English







