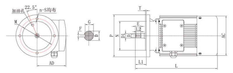
The four series of high-efficiency three-phase asynchronous motors are standardized motor products centered on energy saving, high performance, and reliability. They typically encompass various mounting methods and structural forms to meet the needs of different working conditions and industrial applications. These motors utilize optimized electromagnetic design, high-permeability silicon steel sheets, and high-quality winding materials, effectively reducing energy loss, with overall efficiency meeting or exceeding national and international high-efficiency standards. The three-phase asynchronous structure is mature and stable, offering good starting performance, smooth operation, low noise, and easy maintenance, making it suitable for long-term continuous operation. Thanks to their excellent versatility and energy-saving advantages, the four series of high-efficiency three-phase asynchronous motors are widely used in fans, pumps, compressors, conveying equipment, and various industrial power systems.

English






